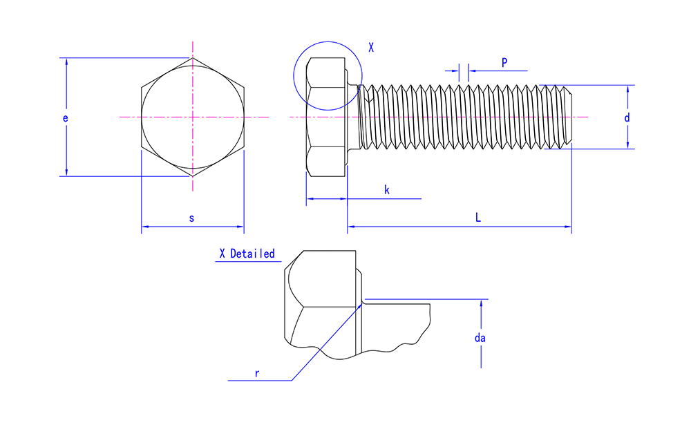
Șuruburi cu cap hexagonal din oțel inoxidabil DIN 933 cu filet complet
| Caracteristicile capului | Complet filetat |
| Caracteristicile tijei | Cap hexagonal standard |
| Scopul principal | Folosit pentru conexiuni grele, capabile să suporte sarcini mari. |
| Avantaje și caracteristici | Designul complet filetat oferă o rezistență mai puternică a conexiunii, potrivită pentru distanțe lungi conexiuni. |
| Utilizări tipice | Conexiuni pentru echipamente grele, echipamente industriale, industria auto, utilaje, şi facilităţi de construcţie. |
| Indicatori cheie pentru selecție | Lungimea șurubului, diametrul, complet filetat, selecția materialului, capacitatea de încărcare. |
| Cerințe specifice industriei | Mașini grele: utilizate pentru a rezista la forțe mari de tensiune și forfecare, necesitând o capacitate puternică de fixare. Industria construcțiilor: potrivit pentru conexiuni care necesită contact complet cu filet. |















