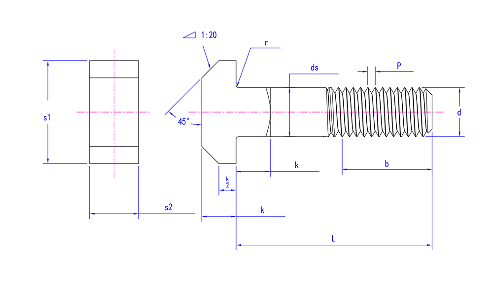
Șuruburi cu cap T din oțel inoxidabil DIN186 cu șuruburi cu gât pătrat
| Caracteristici ale capului | Cap de tip T anti-rotație gât pătrat |
| Caracteristicile tijei | Dublu anti-rotație |
| Scopul principal | Împiedică rotația, crește stabilitatea |
| Avantaje și caracteristici | Designul gâtului pătrat previne rotirea șuruburilor, potrivit pentru fixări grele |
| Utilizări tipice | Preveniți rotația, conexiunile cu sarcină mare, cum ar fi echipamente mari, mașini grele. |
| Indicatori cheie pentru selecție | Forma capului în T, dimensiunea gâtului pătrat, lungimea șurubului, diametrul, lungimea filetului, materialul. |
| Cerințe specifice industriei | Mașini grele: potrivite pentru echipamente cu sarcini mari și nevoia de a preveni rotirea șuruburilor. Industria auto: utilizată pentru conexiuni de mare rezistență care împiedică rotirea șuruburilor. |

















